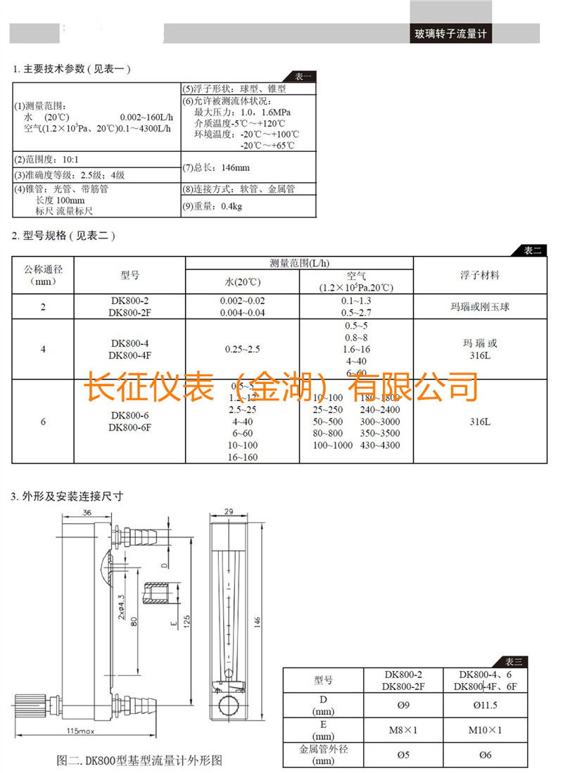
DN800轉子流量計
產品特點:
DK800S型璃轉子流量計耐腐性能,可檢測酸(氫氟酸除外)、堿、氧化劑和其它腐蝕性的氣體或液體的流量,化工、制藥、造紙、污水處理等行業
產品優勢:
流量計應垂直安裝(流量計中心線和鉛垂線的夾角不超過5°)
被測流體中不可混油大顆粒污物
進入流量計時被測流體壓力須穩定
在線咨詢訂購熱線:18994599789
最新資訊
- 2019-04-04長征儀表磁翻板液位計油田項目應用現場分析
- 2019-06-06彎管流量計常見故障及分析
- 2019-06-06楔形流量計常見故障及分析
- 2019-06-06質量流量計常見故障及分析
- 2019-06-06孔板流量計常見故障及分析
- 2019-06-06超聲波流量計常見故障及分析
- 2019-06-06轉子流量計常見故障及分析
- 2019-06-06渦街流量計常見故障及分析
- 2019-06-06電磁流量計常見故障及分析
- 2019-06-06公稱壓力、工作壓力與設計壓力的關系



.jpg)



.jpg)
.jpg)
.jpg)

